Objective:
Design, program, and implement a device which can measure and control tension of fiberglass tape during Sandia Laboratories’ thermal battery wrapping procedure.
Given Parameters
Measurement and control of tension between 10-40 lbs. at an accuracy of 1-2 lbs. on a battery which sits under 2000 lbs. of compressive force.
Implementation:
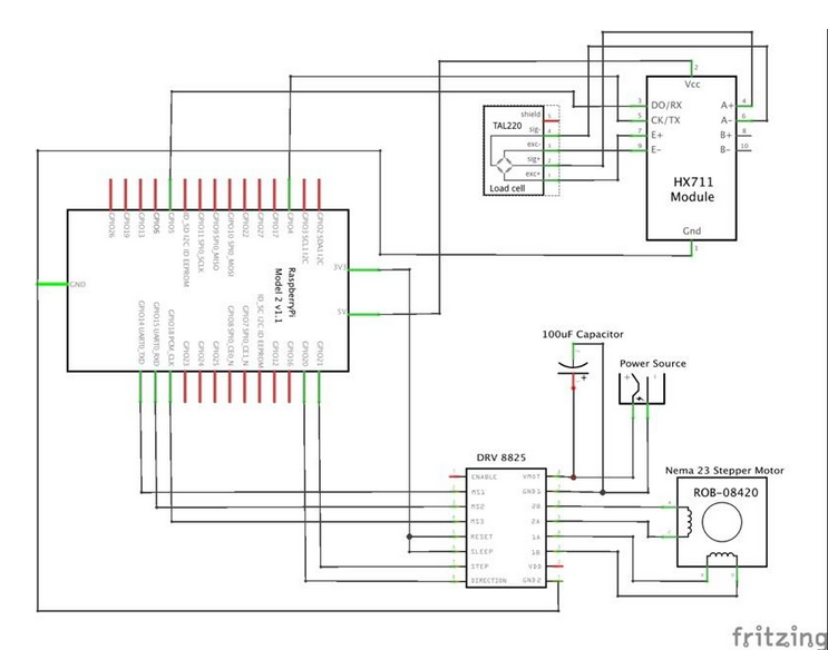
- Tension Measurement is completed controlling the angle of interaction with a 30kg rated load cell. A mechanical Analysis was completed to justify a linear relationship between normal force and tension, accounting for the capstan effect. Via an external load cell at tape output, six data points of output tension and load cell readings are utilized to generate a trendline. The Load cell is connected to a HX711 Load Cell Amplifier and data is measured and interpreted by a python script on a Raspberry Pi 2B.
- Motor Control is completed by a feedback loop generated by the raspberry pi, driving the NEMA 2 stepper motor through a Polulu DRV 8825 motor driver. The driver implements 1/32 micro-steps which progressively increase or decrease compression on tape role, increasing or decreasing tension. Tension is held at a user input value.
- Due to the requirements of constant rotation of the wrapping apparatus and the battery staying under compressive load in the axis of rotation, and modified slip ring was designed to allow for compressive force to run through the slip ring. FEA and buckling analysis were completed to ensure the modified design could withstand the projected compressive load.


Primary Contributions:
- Selection, design, and implementation of electronics components.
- Utilization Linux OS and Python on Raspberry Pi 2B to calibrate load cell, control stepper motor, and design feedback loop control.
- Design and FEA analysis of the modified slip ring.
- Traveled to Albuquerque, New Mexico to present the project and findings live to Sandia Laboratories’ power sources development team.

